濺射鍍膜是物理氣相沉積(PV D )的重要方法之一,它是在真空室中利用荷能離子轟擊靶表面,使被轟擊出的靶材粒子沉積在基片上的成膜技術,包括二極濺射[1]、三極(或四極濺射)[2,3]、磁控濺射[4,5]、對向靶濺射[6]等。磁控濺射具有基片溫升低和成膜快兩大特點,因而在機械、電子、能源、信息等領域得到廣泛應用。
1、 磁控濺射的基本工作原理
磁控濺射是在二極濺射的基礎上以增加磁場來改變電子的運動方向,束縛和延長電子運動軌跡,從而提高電子對工作氣體的電離幾率和有效利用電子的能量。因此,在形成高密度等離子體的異常輝光放電中,正離子對靶材轟擊引起的靶材濺射更為有效。受正交電磁場束縛的電子,只能在能量將要耗盡時才能沉積在基片上,使磁控濺射具有高速、低溫兩大特點。
電子在電場E作用下加速飛向基片的過程中與氬原子發生碰撞。若電子具有足夠的能量(約為30eV )時,則可電離出A r+和另一個電子,電子飛向基片,A r+在電場E作用下加速飛向陰極(濺射靶),并以高能量轟擊靶表面,使靶材發生濺射。在濺射粒子中,中性靶原子(或分子)沉積在基片上形成薄膜;二次電子e1在加速飛向基片時受磁場B的洛侖茲力作用,以擺線和螺旋線狀的復合形式在靶表面作圓周運動。該電子的運動路徑不僅很長,而且被電磁場束縛在靠近靶表面的等離子體區域內,在該區中電離出大量的A r+離子用來轟擊靶材,從而具有磁控濺射沉積速率高的特點。隨著碰撞次數的增加,電子e1的能量逐漸降低并遠離靶面。低能電子e1將按圖1所示那樣沿著磁力線來回振蕩,待電子能量將耗盡時,在電場E的作用下最終沉積在基片上。由于該電子能量很低,傳給基片的能量很小,致使基片的溫升較低。在磁極軸線處,由于電場與磁場平行,電子e2將直接飛向基片。但在磁控濺射裝置中,磁極軸線處離子密度很低,所以e2類電子很少,對基片溫升作用不大。

2、 磁控濺射靶源的設計制作
磁控濺射鍍膜機最重要的部件是陰極靶,為整機的“心臟”。對它的設計一方面要考慮靶面的磁場分布和靶材的利用率;另一方面要考慮導電、導熱、冷卻、密封和絕緣。我們設計和制作的靶如圖2所示,靶墊起導電導熱作用,使整個靶面能均勻冷卻,防止高能離子擊穿靶進而轟擊冷卻水套引起漏水事故,特別是貴金屬薄靶。鋁靶和靶墊的直徑為118mm,厚度為5mm;磁鐵由環狀鐵氧體永久磁鐵和位于中心的圓柱體鐵芯構成,它決定著靶面磁場的分布和濺射環的寬窄(靶材的利用率)。

環形磁鐵的內外徑分別為78mm,118mm;圓柱鐵芯直徑為28mm,二者的高均為55mm ;銅制環狀冷卻水套的壁厚為5mm,過直徑對稱地焊接兩個外徑12mm,壁厚3mm的銅管分別作為進出水管。組裝時,使水套、環狀磁鐵及鐵芯緊密配合,并使上表面在同一平面內,以便達到最佳冷卻效果;軛鐵由直徑118mm,厚10mm的鐵板構成,下部的磁場短路,以增強靶表面磁場強度及均勻性。
3、 濺射工藝研究
3.1 靶面水平磁場的分布
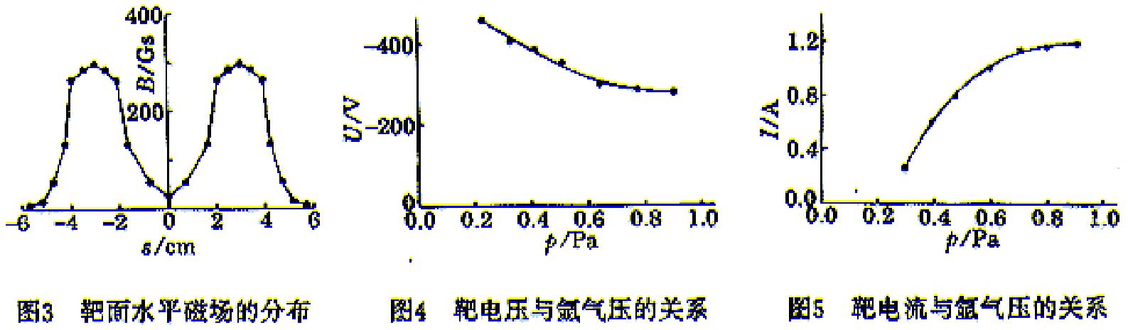
靶面水平磁場的分布是構成圓形平面磁控濺射靶源的關鍵,一般要求最大水平磁場為200~400Gs,最佳值為300Gs。我們用CT—5型直流高斯計測量了靶面水平磁場的分布,其結果如圖3所示,磁場強度310Gs,為最佳值。靶電壓、靶電流隨氬氣壓的變化關系如圖4,圖5所示。

3.2 氬氣壓強對放電電壓及靶電流的影響
調整靶基距離為50mm,將真空室(直徑450mm,高500mm)抽至2.6×10-3Pa,充氬氣(純度99.98% )到2.6×10-1Pa,加靶壓到-500 V (靶流220mA )后增加氬壓強(用自動壓強控制儀測量氬氣壓),測得靶電壓、靶電流隨氬氣壓的變化關系分別如圖4,圖5所示。
由圖可以看出,隨氬氣壓強的增加,靶電壓減小,靶電流增加。這是由于氬氣增加,氣體放電等離子體的密度增加,正負離子增加,等效電阻減小,故靶電壓減小,靶電流增加。
3.3 不同氬氣壓下的放電電流與電壓關系
調整靶基距離為50mm,清洗烘干玻璃基片并放在基體架上(鋁制),真空室抽至2.6×10-3Pa后,充氬氣分別為0.2,0.6,1.0Pa,測得放電流隨陰極靶電壓的變化曲線如圖6所示。

對一定氣壓,放電電流隨靶電壓的增加而增加;對一定的靶電壓,氣壓越高,放電電流越大;對一定的放電電流,氣壓越高,靶電壓越低。
參考文獻:
[1]陳寶清.離子鍍膜及濺射技術[M ].北京:國防工業出版社,1990.
[2]張建民.直流三極偏壓濺射沉積碳化鈦膜[J].真空,1994,(1):29~31.
[3]張建民.氮分壓對三極反應濺射氮化鈦膜的影響[J].陜西師范大學學報(自然科學版),1995,23(2):121~122.
[4]田民波,劉德令.薄膜科學與技術手冊[S].北京:機械工業出版社,1991.
[5]Thorm ton J A .M agnetron sputtering:basic physics and application to cylindrical m agnetrons[J].J V ac Sci Technol,1978,15(2):171~177.
[6]W indow B.Recent advances in sputter deposition[J].Surface and C oatingTechnology,1995,71:93~97.
作者簡介:張建民,男,37歲,講師
作者單位:張建民 陜西師范大學物理學系,陜西 西安 710062;
王 立 梁昌慧 咸陽師范專科學校物理學系,陜西 咸陽 712000
相關鏈接